Last purchased
View order

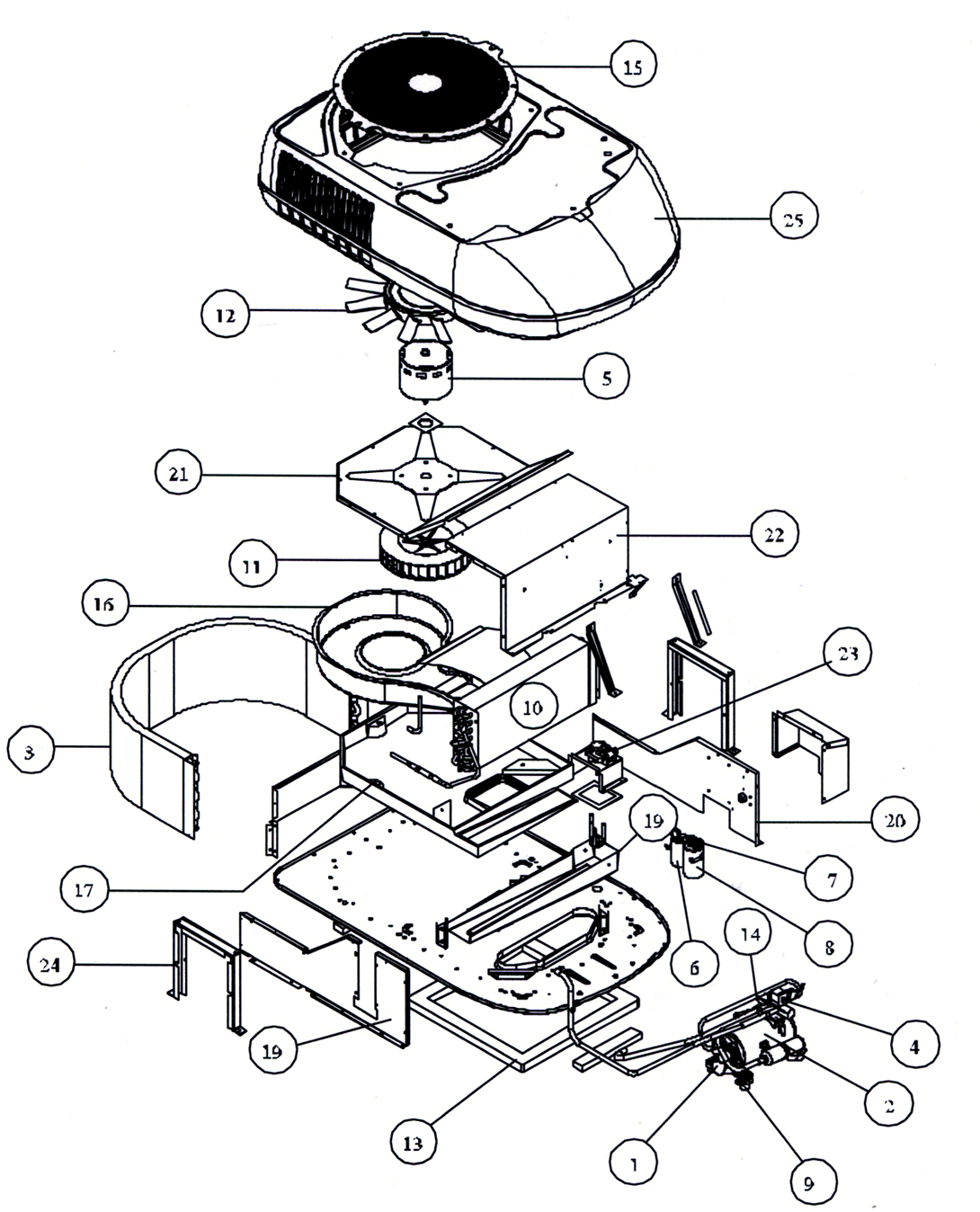
A/C-MACH15 W/HEAT PUMP/ARXL902 4-879 C17-4215

# 484795

REV List
This is an inactive part. Please contact customer service for availability.

Location Quantity
Substitute Parts

 

Weight
img1

Product Details

Part Number
484795
Legacy Part Number
484795,

Category

Comments

Per RV Products......this is now replaced by the C17-04217 (579068)

Catalog/Tech Resources

Resources

You may also like

Recently viewed

A/C-MACH15 W/HEAT PUMP/ARXL902 4-879 C17-4215

# 484795


Location Quantity
Substitute Parts
REV List
This is an inactive part. Please contact customer service for availability.